| Estado de Disponibilidad: | |
|---|---|
| Cantidad: | |
Controlador de flujo inteligente LKZ
Introducción del producto
El controlador de flujo inteligente de la serie LKZ es el último instrumento de control de flujo inteligente de mecatrónica.El producto utiliza el circuito de interfaz periférico y de computadora de un solo chip más avanzado del mundo en la actualidad.La tarjeta IC con un rendimiento de cifrado superior se selecciona como medio de transmisión hombre-máquina.Tiene las características de deducción automática, precisión, confiabilidad, función perfecta y estructura avanzada.Toda la máquina está diseñada con micro consumo de energía, fuente de alimentación de batería de litio y pantalla LCD.Puede registrar el consumo de gas acumulado del usuario, la facturación y otros datos, y el producto tiene una variedad de funciones de protección para garantizar la seguridad y confiabilidad de la operación del sistema.Se puede combinar con varios medidores de flujo (medidor de flujo ultrasónico, medidor de flujo Roots, medidor de flujo turbo) para formar un conjunto completo de sistema de venta de gas prepago, que se puede conectar con el sistema de monitoreo remoto diseñado y producido por nuestra empresa para lograr real -Monitoreo de tiempo del estado de operación y situación de gas del controlador de flujo inteligente.
El controlador de flujo inteligente generalmente deduce el consumo de gas mediante la recopilación de pulsos de salida de flujo, y el controlador de flujo inteligente tiene una interfaz RS485 para leer la función de deducción de datos del medidor de flujo.Este tipo de método de deducción de muestreo no es fácil de interferir, tiene una gran confiabilidad y evita el error de conteo causado por otro muestreo de flujo de producto similar que es fácilmente interferido por el pulso solo.
Además, el controlador de flujo inteligente tiene una interfaz RS485 externa.El terminal remoto puede realizar las funciones de carga remota, ajuste de precios, monitoreo de datos y control de encendido y apagado del controlador de flujo inteligente a través de la interfaz de comunicación RS485.
Funciones principales
Nombre del producto | Controlador de flujo inteligente | ||
Tipo de producto | tarjeta de circuito integrado | tarjeta IC+IoT | UTR externa |
método de facturación | Facturación normal | Facturación normal+Ajuste de precio remoto | Facturación normal+Ajuste de precio remoto |
Método de pago | recarga de tarjeta IC | Recarga de tarjeta IC, Recarga sin tarjeta, Recarga remota, Recarga móvil | Recarga de tarjeta IC, Recarga sin tarjeta, Recarga remota, Recarga móvil |
Fuente de alimentación | Fuente de alimentación externa, batería de litio | Fuente de alimentación externa, batería de litio | Fuente de alimentación externa, batería de litio |
Comunicación | Interfaz RS485 | Interfaz RS485, GPRS | Interfaz RS485, GPRS |
Transmisión de datos | Lectura de tarjetas IC | Carga en tiempo real, Acoplamiento de plataforma SCADA | Carga en tiempo real, Acoplamiento de plataforma SCADA |
Advertencia de evento | pantalla LCD | Pantalla LCD, advertencia remota en tiempo real | Pantalla LCD, advertencia remota en tiempo real |
Control remoto | Control remoto | Control remoto | |
Supervisión de estado | Monitoreo en tiempo real, advertencia remota en tiempo real | Monitoreo en tiempo real, advertencia remota en tiempo real | |
pantalla LCD | Cantidad total acumulada, flujo instantáneo, temperatura, presión, volumen de gas residual, estado de la batería, estado de la válvula, etc. | ||
Proteccion | Supresión de grupo de impulsos integrada, protección contra rayos y otra protección de circuito.Todas las interfaces de exportación están aisladas eléctricamente del sistema de control principal interno, con una fuerte antiinterferencia y confiabilidad | ||
Especificaciones del producto
Modelo | Diámetro (mm) | Presión de trabajo (MPa) | Pérdida de presión de la válvula (Pa) | Qmáx(M³/h) |
LKZ-25YE(T) | DN25 | ≤0.4 | 120~150 | 17.7 |
LKZ-40YE(T) | DN40 | ≤0.4 | 120~150 | 45.2 |
LKZ-50YE(T) | DN50 | ≤0.4 | 150~200 | 70.7 |
LKZ-80YE(T) | DN80 | ≤0.4 | 150~200 | 181.0 |
LKZ-100YE (T) | DN100 | ≤0.4 | 180~220 | 282.7 |
LKZ-150YE (T) | DN150 | ≤0.4 | 200~280 | 636.2 |
LKZ-200YE (T) | DN200 | ≤0.4 | 250~320 | 1131.0 |
No. | Escribe | Parámetros | Observaciones |
1 | Voltaje | 7,2 V CC | Batería ER34615 |
2 | Ambiente | Temperatura:-20℃~+50℃;Humedad relativa:≤95% | |
3 | Presión laboral | ≤ 0,4 MPa | |
4 | Pérdida total de presión | ≤ 0.9KPa | |
5 | Medio | Gas licuado de petróleo, gas natural, biogás | |
6 | Grado de propiedad intelectual | IP65 |

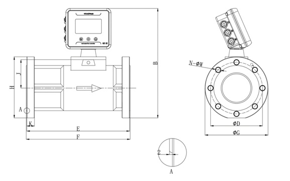
Modelo | Diámetro (mm) | Dimensión (mm) | ||||||||
B | ¢D | E | F | ¢G | H | J | K | n-¢W | ||
LKZ-25YE(T) | DN25 | 225 | 85 | 220 | 222 | 115 | 107 | 69 | 20 | 4-¢14 |
LKZ-40YE(T) | DN40 | 333 | 109 | 223.5 | 225.5 | 154 | 144 | 61 | 22 | 4-¢18 |
LKZ-50YE(T) | DN50 | 345 | 125 | 317 | 319 | 165 | 158.5 | 65 | 23 | 4-¢18 |
LKZ-80YE(T) | DN80 | 360 | 160 | 317 | 319 | 200 | 192 | 64 | 23 | 8-¢18 |
LKZ-100YE(T) | DN100 | 405 | 180 | 352 | 354 | 220 | 210 | 100 | 24 | 8-¢18 |
LKZ-150YE(T) | DN150 | 475 | 240 | 405 | 407 | 285 | 277.5 | 137 | 27 | 8-¢22 |
LKZ-200YE(T) | DN200 | 545 | 295 | 416 | 418 | 341 | 335 | 177 | 30 | 12-¢22 |
(1) El controlador de flujo inteligente debe instalarse en un lugar bien ventilado, lejos de la fuente de fuego, a prueba de lluvia y humedad, y evitar la luz solar directa durante mucho tiempo.La altura de seguridad deberá cumplir con las regulaciones locales pertinentes;
(2)El controlador de flujo inteligente eliminará los elementos diversos de la tubería antes de la conexión y la tubería no tendrá fugas;
(3) El controlador de flujo inteligente se puede instalar horizontal o verticalmente, y la entrada y la salida se pueden conectar correctamente de acuerdo con la dirección de la flecha marcada;
(4) No debe haber fugas de gas en la conexión entre la tubería y el controlador de flujo inteligente, y la presión de gas que ingresa al controlador de flujo inteligente no debe exceder los 0,4 MPa;
(5) Después de la instalación, aplique agua jabonosa a la entrada (salida) de aire para verificar si hay fugas de aire.Se puede usar normalmente solo después de confirmar que no hay fugas de aire.Está estrictamente prohibido usar llama abierta para la detección de fugas para evitar accidentes.
Controlador de flujo inteligente LKZ
Introducción del producto
El controlador de flujo inteligente de la serie LKZ es el último instrumento de control de flujo inteligente de mecatrónica.El producto utiliza el circuito de interfaz periférico y de computadora de un solo chip más avanzado del mundo en la actualidad.La tarjeta IC con un rendimiento de cifrado superior se selecciona como medio de transmisión hombre-máquina.Tiene las características de deducción automática, precisión, confiabilidad, función perfecta y estructura avanzada.Toda la máquina está diseñada con micro consumo de energía, fuente de alimentación de batería de litio y pantalla LCD.Puede registrar el consumo de gas acumulado del usuario, la facturación y otros datos, y el producto tiene una variedad de funciones de protección para garantizar la seguridad y confiabilidad de la operación del sistema.Se puede combinar con varios medidores de flujo (medidor de flujo ultrasónico, medidor de flujo Roots, medidor de flujo turbo) para formar un conjunto completo de sistema de venta de gas prepago, que se puede conectar con el sistema de monitoreo remoto diseñado y producido por nuestra empresa para lograr real -Monitoreo de tiempo del estado de operación y situación de gas del controlador de flujo inteligente.
El controlador de flujo inteligente generalmente deduce el consumo de gas mediante la recopilación de pulsos de salida de flujo, y el controlador de flujo inteligente tiene una interfaz RS485 para leer la función de deducción de datos del medidor de flujo.Este tipo de método de deducción de muestreo no es fácil de interferir, tiene una gran confiabilidad y evita el error de conteo causado por otro muestreo de flujo de producto similar que es fácilmente interferido por el pulso solo.
Además, el controlador de flujo inteligente tiene una interfaz RS485 externa.El terminal remoto puede realizar las funciones de carga remota, ajuste de precios, monitoreo de datos y control de encendido y apagado del controlador de flujo inteligente a través de la interfaz de comunicación RS485.
Funciones principales
Nombre del producto | Controlador de flujo inteligente | ||
Tipo de producto | tarjeta de circuito integrado | tarjeta IC+IoT | UTR externa |
método de facturación | Facturación normal | Facturación normal+Ajuste de precio remoto | Facturación normal+Ajuste de precio remoto |
Método de pago | recarga de tarjeta IC | Recarga de tarjeta IC, Recarga sin tarjeta, Recarga remota, Recarga móvil | Recarga de tarjeta IC, Recarga sin tarjeta, Recarga remota, Recarga móvil |
Fuente de alimentación | Fuente de alimentación externa, batería de litio | Fuente de alimentación externa, batería de litio | Fuente de alimentación externa, batería de litio |
Comunicación | Interfaz RS485 | Interfaz RS485, GPRS | Interfaz RS485, GPRS |
Transmisión de datos | Lectura de tarjetas IC | Carga en tiempo real, Acoplamiento de plataforma SCADA | Carga en tiempo real, Acoplamiento de plataforma SCADA |
Advertencia de evento | pantalla LCD | Pantalla LCD, advertencia remota en tiempo real | Pantalla LCD, advertencia remota en tiempo real |
Control remoto | Control remoto | Control remoto | |
Supervisión de estado | Monitoreo en tiempo real, advertencia remota en tiempo real | Monitoreo en tiempo real, advertencia remota en tiempo real | |
pantalla LCD | Cantidad total acumulada, flujo instantáneo, temperatura, presión, volumen de gas residual, estado de la batería, estado de la válvula, etc. | ||
Proteccion | Supresión de grupo de impulsos integrada, protección contra rayos y otra protección de circuito.Todas las interfaces de exportación están aisladas eléctricamente del sistema de control principal interno, con una fuerte antiinterferencia y confiabilidad | ||
Especificaciones del producto
Modelo | Diámetro (mm) | Presión de trabajo (MPa) | Pérdida de presión de la válvula (Pa) | Qmáx(M³/h) |
LKZ-25YE(T) | DN25 | ≤0.4 | 120~150 | 17.7 |
LKZ-40YE(T) | DN40 | ≤0.4 | 120~150 | 45.2 |
LKZ-50YE(T) | DN50 | ≤0.4 | 150~200 | 70.7 |
LKZ-80YE(T) | DN80 | ≤0.4 | 150~200 | 181.0 |
LKZ-100YE (T) | DN100 | ≤0.4 | 180~220 | 282.7 |
LKZ-150YE (T) | DN150 | ≤0.4 | 200~280 | 636.2 |
LKZ-200YE (T) | DN200 | ≤0.4 | 250~320 | 1131.0 |
No. | Escribe | Parámetros | Observaciones |
1 | Voltaje | 7,2 V CC | Batería ER34615 |
2 | Ambiente | Temperatura:-20℃~+50℃;Humedad relativa:≤95% | |
3 | Presión laboral | ≤ 0,4 MPa | |
4 | Pérdida total de presión | ≤ 0.9KPa | |
5 | Medio | Gas licuado de petróleo, gas natural, biogás | |
6 | Grado de propiedad intelectual | IP65 |

Modelo | Diámetro (mm) | Dimensión (mm) | ||||||||
B | ¢D | E | F | ¢G | H | J | K | n-¢W | ||
LKZ-25YE(T) | DN25 | 225 | 85 | 220 | 222 | 115 | 107 | 69 | 20 | 4-¢14 |
LKZ-40YE(T) | DN40 | 333 | 109 | 223.5 | 225.5 | 154 | 144 | 61 | 22 | 4-¢18 |
LKZ-50YE(T) | DN50 | 345 | 125 | 317 | 319 | 165 | 158.5 | 65 | 23 | 4-¢18 |
LKZ-80YE(T) | DN80 | 360 | 160 | 317 | 319 | 200 | 192 | 64 | 23 | 8-¢18 |
LKZ-100YE(T) | DN100 | 405 | 180 | 352 | 354 | 220 | 210 | 100 | 24 | 8-¢18 |
LKZ-150YE(T) | DN150 | 475 | 240 | 405 | 407 | 285 | 277.5 | 137 | 27 | 8-¢22 |
LKZ-200YE(T) | DN200 | 545 | 295 | 416 | 418 | 341 | 335 | 177 | 30 | 12-¢22 |
(1) El controlador de flujo inteligente debe instalarse en un lugar bien ventilado, lejos de la fuente de fuego, a prueba de lluvia y humedad, y evitar la luz solar directa durante mucho tiempo.La altura de seguridad deberá cumplir con las regulaciones locales pertinentes;
(2)El controlador de flujo inteligente eliminará los elementos diversos de la tubería antes de la conexión y la tubería no tendrá fugas;
(3) El controlador de flujo inteligente se puede instalar horizontal o verticalmente, y la entrada y la salida se pueden conectar correctamente de acuerdo con la dirección de la flecha marcada;
(4) No debe haber fugas de gas en la conexión entre la tubería y el controlador de flujo inteligente, y la presión de gas que ingresa al controlador de flujo inteligente no debe exceder los 0,4 MPa;
(5) Después de la instalación, aplique agua jabonosa a la entrada (salida) de aire para verificar si hay fugas de aire.Se puede usar normalmente solo después de confirmar que no hay fugas de aire.Está estrictamente prohibido usar llama abierta para la detección de fugas para evitar accidentes.
A medida que mejora el nivel de vida y aumenta la conciencia sobre la protección del medio ambiente, la gente ha pasado de utilizar combustibles convencionales como la leña y el carbón, que son derrochadores y contaminantes, a utilizar energías limpias como el gas natural y el gas, o incluso la electricidad.Aquí es donde el medidor de gas de diafragma co
El medidor de gas civil de diafragma es un medidor de flujo de gas natural de desplazamiento positivo que utilizan las empresas de servicios públicos para facturar aplicaciones residenciales y comerciales ligeras.Sus ventajas son su tecnología comprobada, medición confiable y calidad constante.A continuación, echamos un vistazo al medidor de gas de diafragma
El medidor de gas de diafragma prepago con tarjeta IC es un medidor de gas de diafragma con una función de prepago.Se basa en un medidor de gas de diafragma con dispositivo de envío, utilizando una tarjeta IC como medio, equipado con un controlador electrónico y una válvula eléctrica.Este medidor de gas de diafragma prepago con tarjeta IC admite varios
El medidor de gas industrial prepago con tarjeta IC es un medidor de gas de diafragma comercial e industrial que incorpora lo mejor de los productos nacionales e internacionales.Ha sido desarrollado con el espíritu innovador y la experiencia de los medidores Kinhil durante más de 20 años.Estos medidores de gas son adecuados para el met
El medidor de gas de diafragma inteligente IoT es un medidor de gas de diafragma basado en tecnología Internet+.Proporciona a la compañía de gas información oportuna y precisa sobre el medidor.Al mismo tiempo, facilita el control remoto y la gestión remota del medidor de gas por parte de la compañía de gas.el metro basico
Aquí primero tomado de una persona en la industria: si la tecnología NB-IoT es permitir que el medidor de gas inserte las alas de la comunicación inteligente, entonces la tecnología de medición ultrasónica es inyectar el grupo muscular central para el medidor de gas, en la tecnología de medición ha sido esencialmente mejorado, por th
Hoy en día, la industria de medidores de flujo de gas ultrasónicos está en constante progreso en varios países, y las empresas de medidores de flujo de gas ultrasónicos se están embarcando gradualmente en el camino de la supervivencia y el desarrollo mediante una gestión fina, mejorando la calidad del servicio y cobrando por la gestión de la seguridad y la medición.
El medidor de flujo de gas ultrasónico se puede usar de varias maneras: ultrasónico, de presión, de temperatura y otra tecnología de control y detección compatible con múltiples sondas para seis categorías de rangos de gran tamaño.Un tipo especial de cámara con una invención patentada permite la autocalibración y el st más corto
Una plataforma de gestión de datos es un sistema que mejora el modelo de pago de energía tradicional al utilizar el modo de compra, uso y desconexión automática de electricidad para lograr la integración de excedentes, carga y control, haciendo que el pago de energía sea más fácil y eficiente.La comunicación de datos
La plataforma de gestión de datos se utiliza en las áreas de gestión de energía en complejos comerciales, áreas residenciales, edificios de oficinas, tiendas, escuelas, fábricas y minas.También reduce personal y costes durante el periodo, reduciendo significativamente los costes de facturación de la dirección y fomentando así la e
A medida que los niveles de vida continúan mejorando, las personas se vuelven cada vez más respetuosas con el medio ambiente y las fuentes de energía convencionales que contaminan mucho se están abandonando gradualmente.Con la construcción y popularización de los gasoductos han surgido los contadores de gas, de mecánicos
Medidor de gas ultrasónico para cortar los accidentes de gas de raíz Recientemente, las explosiones de gas han estado en la mente de personas de todo el mundo, y las noticias sobre la seguridad del gas están por todas partes.Con el rápido aumento en el número de usuarios de gas, los accidentes de seguridad relacionados con el gas en las ciudades se han convertido en la tercera causa de muerte i
Un medidor de gas ultrasónico es la base para la liquidación del comercio de energía.En los últimos años, se han favorecido los métodos de medición electrónicos, como el ultrasónico y el térmico, porque son más precisos y fiables, estables en su funcionamiento y libres de mantenimiento, y han supuesto un cambio importante en el medidor de gas.
A medida que los niveles de vida continúan mejorando, las personas se vuelven cada vez más conscientes del medio ambiente y las fuentes de energía convencionales que contaminan mucho se están abandonando gradualmente.En las décadas de 1960 y 1970, el estado también introdujo políticas de gasoductos y las medidas correspondientes.con la construcción
Un medidor de gas ultrasónico utiliza ondas de sonido para determinar la velocidad a la que fluye un fluido a través de una tubería.En condiciones sin flujo, la frecuencia de la onda ultrasónica transmitida a la tubería es la misma que la frecuencia que refleja del fluido.En condiciones de flujo, la frecuencia de la ref.
Un detector de fugas de gas se utiliza para la detección de fugas, pruebas de hermeticidad al gas y mantenimiento predictivo.La detección de ondas ultrasónicas suele referirse a la banda de frecuencia superior a 20 kHz, mientras que el límite superior del oído humano puede recibir 16,5 kHz, y el uso de esta característica, ultrasónica
Cómo usar el detector de fugas de gas Una alarma de fugas de gas es un instrumento utilizado para detectar la concentración de fugas de gas, que puede detectar la concentración de gas en el ambiente.Por ejemplo, hay algunos gases tóxicos y peligrosos o gases combustibles en la producción industrial, por lo que puede acelerar
El rápido desarrollo del negocio del gas urbano ha colocado la medición de gas en un lugar bastante importante.Los medidores de gas no solo se utilizan para la medición de transmisión en gasoductos y la medición de gas en empresas industriales y mineras e instituciones de bienestar, sino que también se popularizan en millones de h.
Según las estadísticas, el uso en línea de gas civil de diafragma ha superado los 50 millones de unidades.Con el desarrollo y la aplicación de gas natural en China, la primera y segunda líneas del proyecto 'Transmisión de gas oeste-este' y el proyecto 'Shaanxi Gas to Beijing', que se han completado o
Un medidor de gas civil de diafragma es un instrumento para la medición precisa del flujo de gas de la tubería, que se usa ampliamente en petróleo, productos químicos, energía eléctrica, calderas industriales y otros campos de medición de gas, aplicable al gas natural, gas ciudad, propano, butano, etileno , aire, nitrógeno y otros gases.T